THEVENIN'S AND NORTON'S THEOREM
-Thevenin’s Theorem states that it is possible to simplify any linear circuit, no matter how complex, to an equivalent circuit with just a single voltage source and series resistance connected to a load. It is especially useful in analyzing power system and another circuits where one particular resistor in the circuit called the load resistor is subject to change and re-calculation of the circuit is necessary with each trial value of load resistance to determine voltage and current across it.
It is also states that the linear two terminal circuit can be replaced by an equivalent circuit consisting of a voltage source VTH in a series resistor RTH where Vth is the open circuit voltage at terminals and Rth is the input or total resistance at the terminals when the independent source are turn off.
There are two cases you need to consider in thevenin's:
Case 1: If the network has no dependent source therefore you need to turn off all independent source. Rth can be computed via parallel or series connection seen from the given.
Case 2: If the network has dependent source turn off all dependent source. Apply V0 at A-b and Also Io at A-b.
Thevenins Equivalent Circuit:
It is also states that the linear two terminal circuit can be replaced by an equivalent circuit consisting of a voltage source VTH in a series resistor RTH where Vth is the open circuit voltage at terminals and Rth is the input or total resistance at the terminals when the independent source are turn off.
There are two cases you need to consider in thevenin's:
Case 1: If the network has no dependent source therefore you need to turn off all independent source. Rth can be computed via parallel or series connection seen from the given.
Case 2: If the network has dependent source turn off all dependent source. Apply V0 at A-b and Also Io at A-b.
Thevenins Equivalent Circuit:
NORTON'S THEOREM
-Any collection of batteries and resistances with two terminals is electrically equivalent to an ideal current source i in parallel with a single resistor r. The value of r is the same as that in the Thevenin equivalent and the current i can be found by dividing the open circuit voltage by r.
Norton's Circuit
Norton's Equivalent Circuit:
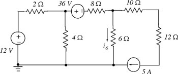
SAMPLE PROBLEM:











